Toothpick Miniatures

 
Home
Booklets
Gallery
Design
Progression
About
 

Gallery 2025 - 2024

 

Development models

These models are made early, to test construction methods and dimensions of parts.

 
 
 
     
M-29 Weasel (not followed through)
 
A7E3 tank (not followed through)
 
         
     
Panzer II Ausf. C (in progress)
 
Cruiser Mk IV (in progress)
 

 

 

Chimera

No vehicles existed in reality for those models, which were made by combining options together or by modifiying templates. This illustrates the creative potential of the concept.

Holden ambulance on GAZ-64 template (the spare wheel is positioned on the canvas door cord hole).
 

 

   

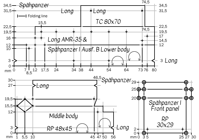
This "Long AMR-35" was made with a modified template, provided below. It served as a testbed for the british smoke discharger.

On the left, we see a soviet GAZ-64 in French 1940 camouflage, substituting for Laffly or Latil vehicles. In the background, an early attempt at a Japanese camouflage on an AMR-35 light tank, so it could substitute for a Type 94 tankette.

 

 

 
 
 
 
 
"Spähpanzer I" Long AMR-35 substitute for Panzer I
 
Long AMR-35 & Spähpanzer schematics (not verified but should work)
 
Pak 36 and derivatives
(Booklet n°6)
 

Gallery 2025 - 2024